WEBINAR | From Infrastructure to Impact: EM & Micro-CT in Materials Core Facilities

TESCAN AMBER X 2 for Batteries 

Amber X 2 hero image
Amber X 2 hero image

Advance battery performance and safety with the TESCAN AMBER X 2, a plasma FIB-SEM solution designed for multimodal 3D characterization of electrodes, separators, and interfaces.

This workflow integrates large-area Xe plasma FIB cross-sectioning, artifact-free polishing, and AI-guided TEM lamella preparation with correlative ToF-SIMS, EDS, and EBSD analysis. With AMBER X 2, you gain fast, reliable insight into both the structure and chemistry of energy storage materials.

  • Visualize lithium distribution, SEI chemistry, and degradation pathways with integrated 3D ToF-SIMS and multimodal tomography

  • Prepare millimeter-scale cross sections free of curtaining artifacts using Rocking Stage and TRUE-X-Sectioning technology

  • Protect air- and beam-sensitive electrodes through cryogenic sample preparation and inert gas transfer

  • Automate reproducible, Ga-free TEM lamella preparation with TEM AutoPrep Pro, enabling unattended overnight operation

  • Interpret structural and chemical datasets with intuitive 3D visualization in the TESCAN 3D Viewer

How AMBER X 2 Delivers Structural and Chemical Insight for Batteries

Lithium and SEI Chemistry in 3D

Visualize lithium distribution, SEI composition, and electrolyte breakdown products with integrated 3D ToF-SIMS, providing critical chemical insight that conventional techniques cannot achieve.

Curtain-Free Large-Area Cross-Sections

Prepare millimeter-scale cross sections of battery electrodes and separators with Rocking Stage and TRUE-X-Sectioning technology, producing smooth, artifact-free surfaces for accurate analysis.

AI-Guided TEM Lamella Preparation

Automate reproducible, Ga-free TEM lamella prep with TEM AutoPrep Pro, enabling unattended, multi-site workflows that save operator time and ensure consistent quality.

Safe Handling of Air- and Beam-Sensitive Materials

Maintain the integrity of lithium metal anodes, solid electrolytes, and polymer separators through cryogenic workflows and inert gas transfer that protect samples from degradation.

Multimodal 3D Tomography

Combine SEM imaging with EDS, EBSD, and ToF-SIMS within a single workflow to correlate structure, chemistry, and crystallography across electrodes, interfaces, and separators.

Intuitive 3D Visualization

Process and explore large, multimodal datasets with TESCAN 3D Viewer, simplifying interpretation of porosity, particle morphology, and degradation pathways in three dimensions.

TEM AUTOPREP™ PRO

AI-GUIDED WORKFLOWS FOR CONSISTENT BATTERY SPECIMEN PREPARATION

TEM AutoPrep™ Pro automates the complete TEM lamella preparation process, delivering clean, Ga-free specimens optimized for nanoscale battery analysis. Integrated into the Essence™ GUI, AutoPrep™ Pro removes operator variability and ensures reproducibility across multiple samples and sites.

AI-guided routines handle trench milling, lift-out, grid placement, and 500 eV final polishing, producing lamellae with the right thickness and orientation for high-resolution STEM, EDS, and ToF-SIMS correlation. Multi-site batch operation enables unattended overnight preparation, saving valuable operator time.

With TEM AutoPrep™ Pro, battery researchers and manufacturers can depend on consistent, high-quality lamellae that reduce preparation time and accelerate the investigation of critical interfaces and degradation mechanisms.

Image Element (4)
"Tescan AMBER X 2, our latest innovation in materials analysis technology. The AMBER X 2, with its advanced Plasma FIB-SEM capabilities, offers unmatched speed, precision, and versatility, setting a new standard in the field."
PETR KLIMEK
PRODUCT MARKETING DIRECTOR
MATERIAL & GEO SCIENCE
TESCAN
Unlocked content

Tescan AMBER X with iFIB+™ control and real-time SE signal end pointing delivers precise Sub-20 nm node delayering. Achieve planar surfaces below 5 nm RMS roughness, maintain dielectric compatibility, and prepare contamination-free structures ready for in-situ nanoprobing and electrical failure analysis.

Output Exmples

Unlock 
tescan insight

leave a contact to access

Get the most out of Tescan

This is more than information; it's an advantage. We've compiled our technical whitepapers, detailed product flyers, and on-demand webinars to provide you with the knowledge that makes a real difference. Sign up now to access the insights you need to make an impact.

TESCAN AMBER X 2 FOR BATTERY RESEARCH

Technical specification
AMBER X 2 Platform 

Plasma FIB-SEM system combining Mistral™ Xe plasma FIB and BrightBeam™ field-free UHR SEM

Multimodal 3D tomography with integrated SEM, EDS, EBSD, ToF-SIMS, and Raman spectroscopy

Field-free SEM imaging at low landing energies down to 50 eV for beam-sensitive and magnetic materials

Cross-Sectioning and Tomography 

TRUE-X-Sectioning and Rocking Stage for curtaining-free, millimeter-scale electrode cross sections

Large-area FIB-SEM tomography with simultaneous chemical and structural mapping

3D ToF-SIMS tomography for nanoscale detection of Li, Na, F, and SEI components

Automation and Sample Preparation 

TEM AutoPrep™ Pro for AI-guided, Ga-free lamella preparation with 500 eV final polishing 

Multi-site batch workflows for unattended overnight lamella preparation 

OptiLift™ nanomanipulator for reliable lift-out and precise specimen positioning 

Cryogenic and Air-Sensitive Sample Handling

Cryogenic preparation and transfer solutions for lithium metal anodes and solid electrolytes 

Inert gas transfer for air- and moisture-sensitive materials

3D Visualization and Data Analysis

TESCAN 3D Viewer for processing and visualizing multimodal datasets including EDS and ToF-SIMS maps

Guided workflows for 3D rendering, animation, and measurements on virtual cross sections

Battery Research Applications Supported 

Post-cycling failure analysis of electrodes and interfaces

Lithium distribution mapping and SEI characterization

Solid-state electrolyte and separator analysis

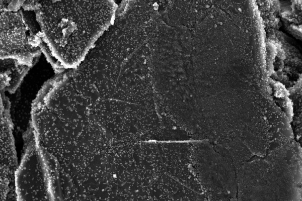
Electrode cracking, porosity, and degradation detection

AMBER X 2 Platform 

Plasma FIB-SEM system combining Mistral™ Xe plasma FIB and BrightBeam™ field-free UHR SEM

Multimodal 3D tomography with integrated SEM, EDS, EBSD, ToF-SIMS, and Raman spectroscopy

Field-free SEM imaging at low landing energies down to 50 eV for beam-sensitive and magnetic materials

Cross-Sectioning and Tomography 

TRUE-X-Sectioning and Rocking Stage for curtaining-free, millimeter-scale electrode cross sections

Large-area FIB-SEM tomography with simultaneous chemical and structural mapping

3D ToF-SIMS tomography for nanoscale detection of Li, Na, F, and SEI components

Automation and Sample Preparation 

TEM AutoPrep™ Pro for AI-guided, Ga-free lamella preparation with 500 eV final polishing 

Multi-site batch workflows for unattended overnight lamella preparation 

OptiLift™ nanomanipulator for reliable lift-out and precise specimen positioning 

Cryogenic and Air-Sensitive Sample Handling

Cryogenic preparation and transfer solutions for lithium metal anodes and solid electrolytes 

Inert gas transfer for air- and moisture-sensitive materials

3D Visualization and Data Analysis

TESCAN 3D Viewer for processing and visualizing multimodal datasets including EDS and ToF-SIMS maps

Guided workflows for 3D rendering, animation, and measurements on virtual cross sections

Battery Research Applications Supported 

Post-cycling failure analysis of electrodes and interfaces

Lithium distribution mapping and SEI characterization

Solid-state electrolyte and separator analysis

Electrode cracking, porosity, and degradation detection

AMBER-X2

GET IN Touch

Contact us

map

Where can you find us: 

Tescan Brno
Libušina třída 21
623 00 Brno
Czech Republic

info@Tescan.com 

130405923 us US 37.09024 -95.712891 25.3575 29.349345 20.67957527 42.082797 39.91384763 -33.693421 13.93320106 3.039986586 31.997988 38.050985 47.579533 48.1485965 58.375799 54.663142 19.195447 56.975106 50.493053 45.868592 10.79556993 44.35660598 43.2371604 55.536415 14.557577179752773 32.100937 -6.116829 -6.212299277967318 23.7104 -33.471062 31.998740087 -23.69149395 43.462349 51.529848 49.1893523 49.197486 25.072375 31.075811 1.299027 40.676979 52.30150662 51.013813 35.684121 37.479653 52.246622 40.581349 39.911632 -26.1811371 41.818215 33.429928

No distributors found.