Low-keV Imaging of Lithium and SEI
Capture high-resolution images of lithium deposits and fragile SEI layers at landing energies below 1 keV with BrightBeam™ field-free optics, avoiding beam damage and charging artifacts.
TESCAN CLARA for Batteries
Reveal nanoscale details in the most challenging battery materials with TESCAN CLARA SEM for batteries. With the BrightBeam™ electron column, you achieve ultra-high-resolution imaging at low energies, while the field-free design ensures stable results on magnetic and beam-sensitive components. This lets you separate electrode phases, assess SEI integrity, and examine cathode porosity, lithium deposits, and polymer separators with confidence.
- Visualize SEI layers and lithium deposits without damage using low-keV, field-free imaging
- Reveal binder distribution and electrode interfaces with energy- and angle-filtered BSE detection
- Characterize nanoporous cathode morphology at the nanoscale
- Image polymers, lithium, and fragile electrolytes with MultiVac™ variable pressure SEM
- Automate electrode quality control workflows with Essence™ Image Snapper and VisualCoder
- Correlate true-color navigation with SEM imaging via ONCam integration
How CLARA Provides Reliable Nanoscale Insight for Battery Research
Selective BSE Contrast at Interfaces
Use energy- and angle-filtered BSE detection to differentiate electrode phases, binder distribution, and interface integrity with clarity that conventional SEMs cannot provide.
Nanoporous Cathode Morphology
Examine fine pore networks and particle connectivity in cathodes to understand transport pathways and degradation mechanisms at the nanoscale.
Stable Imaging of Polymers and Electrolytes
Analyze polymer separators and solid-state electrolytes in MultiVac™ variable pressure mode, ensuring reliable data from non-conductive and beam-sensitive materials.
Standardize electrode inspection and defect detection with Essence™ Image Snapper and VisualCoder scripting, reducing operator dependency and improving throughput
Correlated Optical and SEM Navigation
Leverage ONCam optical imaging with SEM overlays to locate features quickly and align regions of interest, streamlining analysis across complex electrode architectures.
TESCAN CLARA
Characterization of Particle Size in Battery Powder
Particle size and morphology in active material powders influence electrode packing, coating uniformity, and long-term stability. With UHR SEM and automation, Tescan CLARA enables fast, reproducible particle size analysis across batches.
- Quantify particle size, shape, and texture in Ni-based powders
- Use automated workflows for consistent quality control
- Optimize powder selection to balance capacity and stability
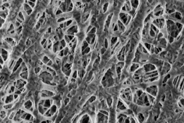
High-Resolution Analysis of Battery Separators
Separators are critical for both ion transport and safety. Tescan CLARA UHR SEM reveals nanometer-scale pore and fiber structures without conductive coating, preserving the true surface morphology and helping manufacturers control separator quality.- Visualize pores and fiber networks at nanometer resolution
- Assess morphology to ensure mechanical and thermal stability
- Provide quality metrics for consistent production outcomes
Essence™ Image Snapper
Essence™ Image Snapper automates image collection across multiple regions of interest, ensuring that electrodes, SEI layers, and separators are captured with the same parameters every time. Integrated directly into the Essence GUI, it reduces operator variability and accelerates dataset acquisition for defect detection and quality control. With unattended batch routines, Image Snapper delivers reproducible, high-quality SEM images that standardize battery research and manufacturing inspections.
CEO at Dragonfly Energy
Output Exmples
Unlock
tescan insight
Get the most out of Tescan
This is more than information; it's an advantage. We've compiled our technical whitepapers, detailed product flyers, and on-demand webinars to provide you with the knowledge that makes a real difference. Sign up now to access the insights you need to make an impact.
TESCAN CLARA
|
Electron Column |
BrightBeam™ field-free UHR SEM column |
|---|---|
|
Landing energies from 50 eV to 30 keV |
|
|
Designed for stable imaging of magnetic and beam-sensitive materials |
|
|
Resolution |
<1.0 nm at 1 keV (STEM-like performance at low energies) |
|
6 nm at 15 keV |
|
|
Optimized for low-keV imaging of lithium and SEI layers |
|
|
Detectors |
In-column Axial BSE detector for material contrast |
|
In-column Multi-detector with energy- and angle-filtered BSE modes |
|
|
Chamber detectors: Everhart-Thornley SE, Low-Energy BSE (LE-BSE) |
|
|
Gaseous SE Detector (GSD) for MultiVac™ mode |
|
|
Variable Pressure (MultiVac™) |
Up to 500 Pa in nitrogen or water vapor |
|
Ideal for non-conductive or hydrated battery components |
|
|
Navigation |
ONCam optical navigation with SEM overlay |
|
Wide Field Optics™ for fast, distortion-free large-area navigation |
|
|
Software & Automation (Essence™ Platform) |
Essence™ Image Snapper for automated image acquisition |
|
Essence™ 3D Collision Model for safe sample navigation |
|
|
VisualCoder and Expert PI for customizable scripted workflows |
|
|
Integrated correlative options: SEM-EDS, SEM-EBSD, SEM-Raman |
|
|
Stage |
5-axis fully motorized stage with collision protection |
|
Compatible with cryo-preparation workflows for sensitive battery materials |
|
Electron Column |
|---|
|
BrightBeam™ field-free UHR SEM column |
|
Landing energies from 50 eV to 30 keV |
|
Designed for stable imaging of magnetic and beam-sensitive materials |
|
Resolution |
|---|
|
<1.0 nm at 1 keV (STEM-like performance at low energies) |
|
6 nm at 15 keV |
|
Optimized for low-keV imaging of lithium and SEI layers |
|
Detectors |
|---|
|
In-column Axial BSE detector for material contrast |
|
In-column Multi-detector with energy- and angle-filtered BSE modes |
|
Chamber detectors: Everhart-Thornley SE, Low-Energy BSE (LE-BSE) |
|
Gaseous SE Detector (GSD) for MultiVac™ mode |
|
Variable Pressure (MultiVac™) |
|---|
|
Up to 500 Pa in nitrogen or water vapor |
|
Ideal for non-conductive or hydrated battery components |
|
Navigation |
|---|
|
ONCam optical navigation with SEM overlay |
|
Wide Field Optics™ for fast, distortion-free large-area navigation |
|
Software & Automation (Essence™ Platform) |
|---|
|
Essence™ Image Snapper for automated image acquisition |
|
Essence™ 3D Collision Model for safe sample navigation |
|
VisualCoder and Expert PI for customizable scripted workflows |
|
Integrated correlative options: SEM-EDS, SEM-EBSD, SEM-Raman |
|
Stage |
|---|
|
5-axis fully motorized stage with collision protection |
|
Compatible with cryo-preparation workflows for sensitive battery materials |
GET IN Touch
Where can you find us:
Tescan Brno
Libušina třída 21
623 00 Brno
Czech Republic
info@Tescan.com






