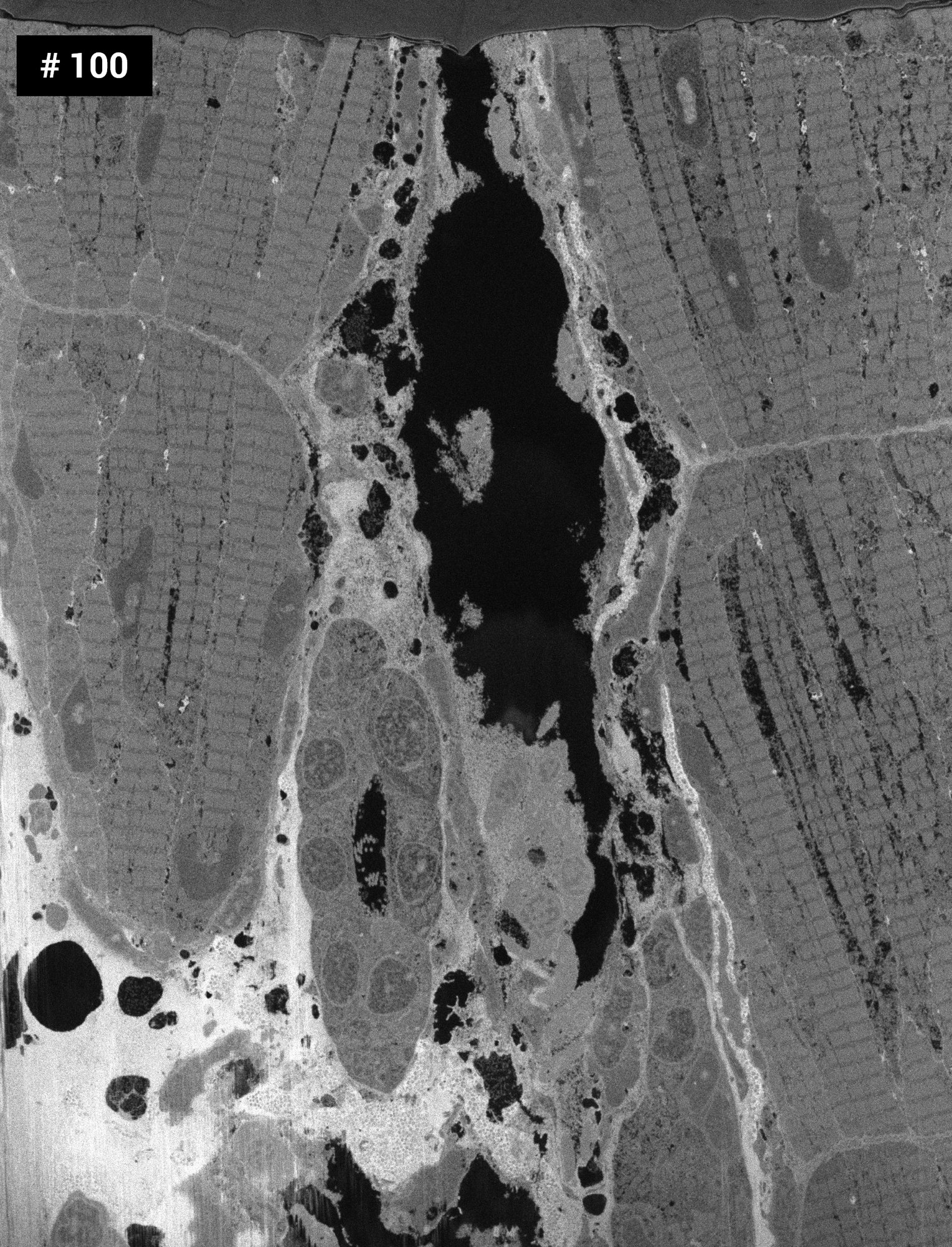
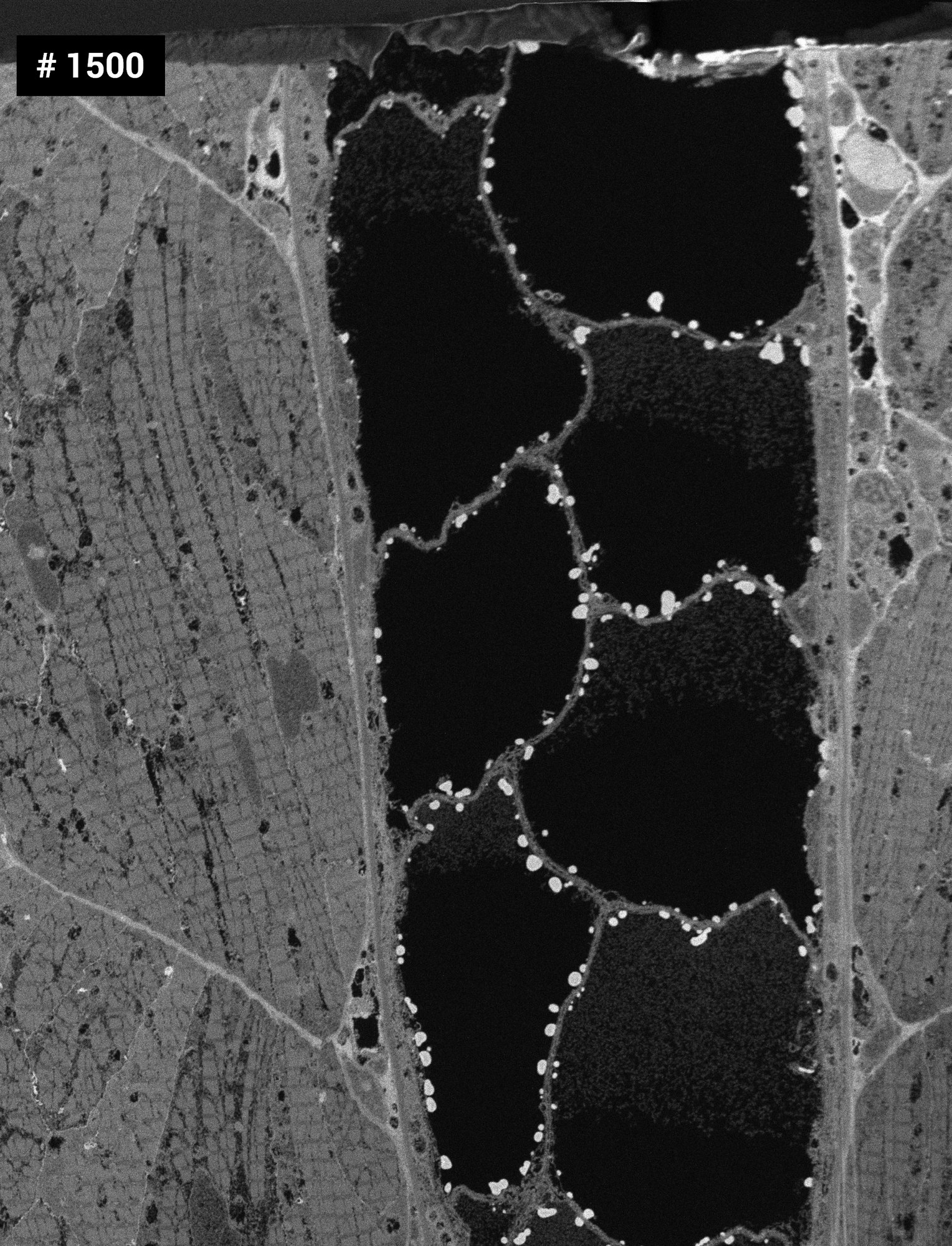
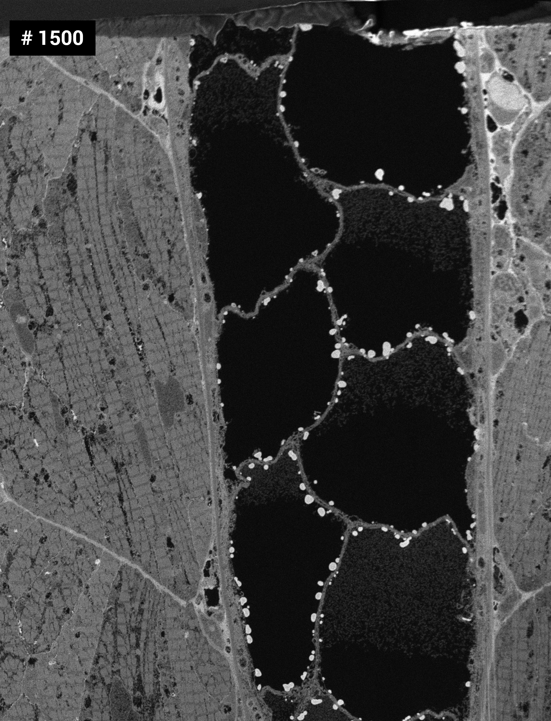
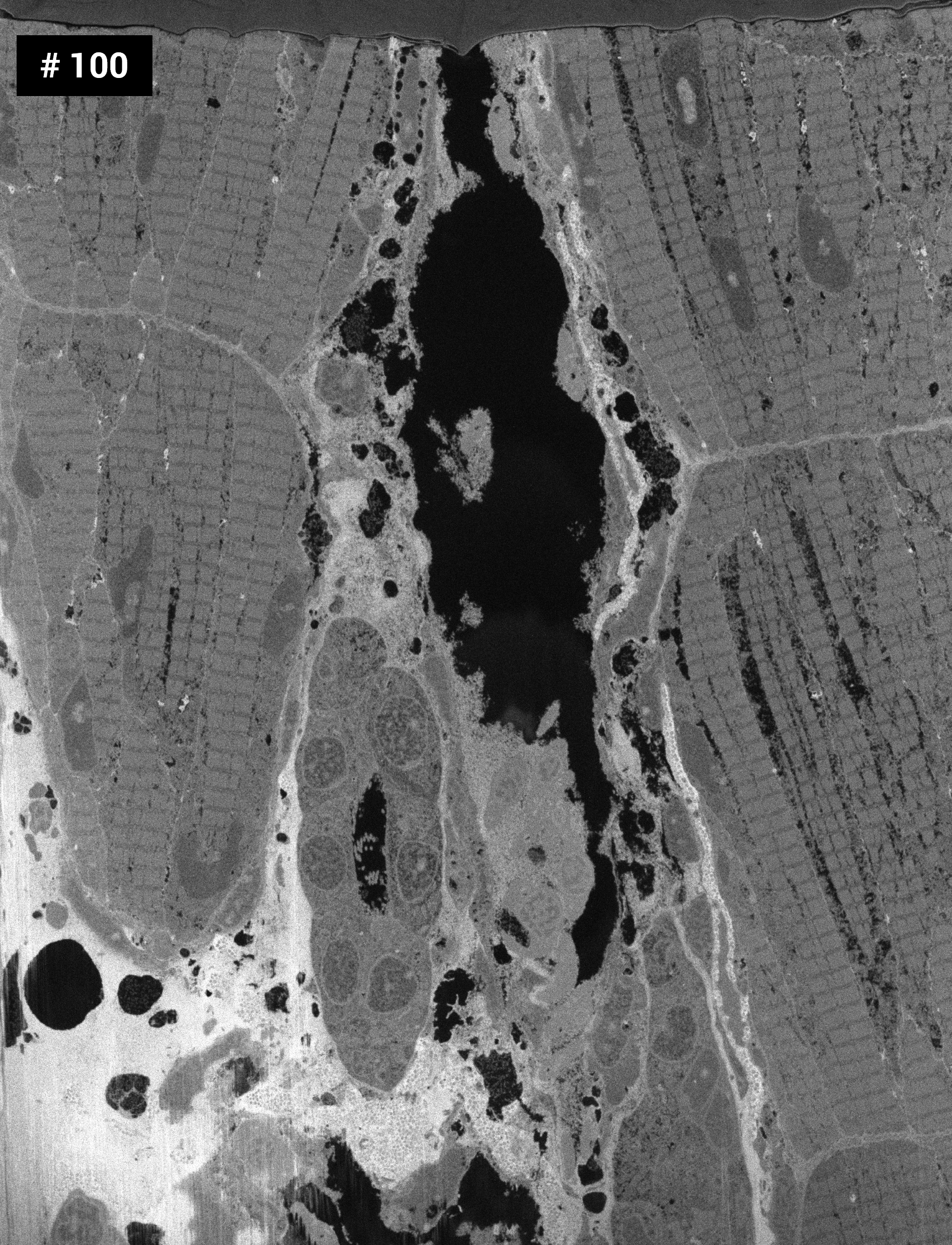
TESCAN SOLARIS X2
Tescan SOLARIS™ X2 is a Xe plasma FIB-SEM for large-volume sample processing and imaging at ultra-high resolution. With the Mistral™ plasma FIB and Triglav™ SEM column, it delivers fast, accurate milling and nanometer-scale detection in one system.
Xe plasma technology removes larger material volumes far more efficiently than gallium FIBs. Its virtually unlimited source supports continuous acquisitions, while stable beam performance and precise polishing ensure artifact-free imaging across extended volumes.
-
Stable long-run performance: acquire large datasets without interruption
-
Ultra-high resolution SEM detection: visualize delicate biological structures with nanometer precision thanks to immersion optics
-
Fast, large-volume milling: process bigger sections more efficiently than with gallium FIB-SEM
-
Accurate and repeatable milling: ensure surface consistency and artifact-free imaging









