WEBINAR | From Infrastructure to Impact: EM & Micro-CT in Materials Core Facilities

Tescan AMBER X 2 FIB-SEM for Fast, Flexible 2D and 3D Materials Characterization

CLARA hero image
CLARA hero image

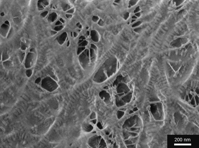
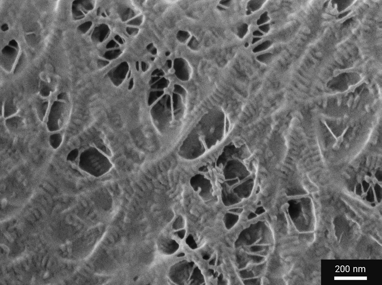
Tescan AMBER X 2 is designed to keep pace with the realities of modern materials research. Whether you’re characterizing large volumes, fragile  interfaces, or beam-sensitive structures, AMBER X 2 enables you to go further, faster, and with precision that scales across sample types.

Built around the high-performance Mistral™ plasma FIB and BrightBeam™ field-free SEM, this platform delivers high-resolution insights at every step of your workflow.

Not a language of our customers. Can you come up with some alternatives?

  • Multimodal 2D/3D analysis across a wide array of materials, from metals, ceramics, and polymers to energy-related and other advanced systems

  • Artifact-free cross-sectioning with high beam currents and optimized beam profiles

  • Concurrent acquisition of EDS, EBSD, and ToF-SIMS data during 3D tomography for combined structural, chemical, and isotopic information 



 

Main Benefits of TESCAN AMBER X 2 for 2D and 3D Materials Characterization

Streamline Large-Area 2D and 3D Characterizatio

Analyze broad regions quickly and cleanly using high-current Xe plasma FIB with precision polishing, even on challenging materials.

Acquire Multiple Data Layers in One Run

Combine 3D EDS with EBSD or 3D EDS with ToF-SIMS during automated serial sectioning to generate complementary structural, chemical, and isotopic insights across full volumes.

 

No Compromises for Magnetic or Delicate Samples

The field-free BrightBeam™ column ensures consistent, high-resolution imaging of magnetic, porous, or beam-sensitive materials.

 

Keep the Pace on Difficult Materials

Use the Rocking Stage, TRUE-X-Sectioning, and Oxygen DIM to improve cut quality, reduce polishing time, and adapt to material complexity.

 

Efficiency at Scale, Even for Routine Workflows

Standardize high-throughput analysis across users and samples with optimized beam parameters  and repeatable workflows built into Essence™.

Smart Automation for Confident Operation

From alignment to slicing, automation routines support both expert and occasional users, accelerating productivity without sacrificing precision.

 

Software Overview

Essence™ 3D FIB-SEM Multimodal Tomography

This module synchronizes SEM, EDS, EBSD, and ToF-SIMS into a single acquisition routine, making full-volume, multi-channel analysis easier and more consistent.

TESCAN AutoSection™ 

Automate cross-sectioning workflows with precise control over milling depth, geometry, and sequence. Ideal for routine or multi-sample throughput.

Essence™ Low-Angle Polishing

Preserve structural integrity while polishing samples with fine features or sensitive interfaces. Designed to reduce curtaining and improve surface flatness for EBSD and STEM.

Each software module is fully integrated into the Essence™ environment, ensuring a smooth learning curve and reproducibility across users and applications.

 

“Quote goes here”

 — Quote Giver goes here  

Image Element (4)
"Tescan AMBER X 2, our latest innovation in materials analysis technology. The AMBER X 2, with its advanced Plasma FIB-SEM capabilities, offers unmatched speed, precision, and versatility, setting a new standard in the field."
PETR KLIMEK
PRODUCT MARKETING DIRECTOR
MATERIAL & GEO SCIENCE
TESCAN
Unlocked content

Unlock 
tescan insight

leave a contact to access

Get the most out of Tescan

This is more than information; it's an advantage. We've compiled our technical whitepapers, detailed product flyers, and on-demand webinars to provide you with the knowledge that makes a real difference. Sign up now to access the insights you need to make an impact.

TESCAN CLARA

Specifications for Battery Research

BrightBeam™ Field-Free UHR-SEM Column

Electron beam energy: 50 eV–30 keV (down to <50 eV with sample bias)

Resolution: 1.4 nm @ 1 keV | 0.9 nm @ 15 keV

 Mistral™ Plasma FIB Column 

Energy range: 500 eV–30 keV

Beam current: 1 pA–3.3 μA

Resolution: 10 nm @ 30 keV

Max FOV: 1 mm

Included & Optional Accessories

Rocking Stage

TRUE-X-Sectioning

OptiLift sample lift-out

Oxygen DIM

Gas Injection System (Pt, W, C…)

Software Downloads

AMBER X 2 Product Flyer

AMBER X 2 Datasheet

BrightBeam™ Field-Free UHR-SEM Column

Electron beam energy: 50 eV–30 keV (down to <50 eV with sample bias)

Resolution: 1.4 nm @ 1 keV | 0.9 nm @ 15 keV

 Mistral™ Plasma FIB Column 

Energy range: 500 eV–30 keV

Beam current: 1 pA–3.3 μA

Resolution: 10 nm @ 30 keV

Max FOV: 1 mm

Included & Optional Accessories

Rocking Stage

TRUE-X-Sectioning

OptiLift sample lift-out

Oxygen DIM

Gas Injection System (Pt, W, C…)

Software Downloads

AMBER X 2 Product Flyer

AMBER X 2 Datasheet

Image Element (1)

GET IN Touch

Contact us

map

Where can you find us: 

Tescan Brno
Libušina třída 21
623 00 Brno
Czech Republic

info@Tescan.com 

130405923 us US 37.09024 -95.712891 25.3575 29.349345 20.67957527 42.082797 39.91384763 -33.693421 13.93320106 3.039986586 31.997988 38.050985 47.579533 48.1485965 58.375799 54.663142 19.195447 56.975106 50.493053 45.868592 10.79556993 44.35660598 43.2371604 55.536415 14.557577179752773 32.100937 -6.116829 -6.212299277967318 23.7104 -33.471062 31.998740087 -23.69149395 43.462349 51.529848 49.1893523 49.197486 25.072375 31.075811 1.299027 40.676979 52.30150662 51.013813 35.684121 37.479653 52.246622 40.581349 39.911632 -26.1811371 41.818215 33.429928

No distributors found.